roviding enough energy to meet an everincreasing demand is one of the greatest problems the world is now facing. Energy is the key to an industrialized economy, which calls for a doubling of electrical output every ten to twelve years. Meanwhile, the days of cheap abundant and environmentally acceptable power may be coming to an end. Coal is plentiful but polluting, natural gas is scarce and oil is not found everywhere. Nuclear power now is costly and risky. In many countries of the world, keen interest is being shown in alternative energy sources. A promising source of energy which would be able to solve a part of the energy crisis for the present & future, by instructively looking at the current technical and economic energy picture as well as sustainable energy is solar cell. But on an average single p-n junction solar cell efficiency is not more than 20% [1] as it cannot use the whole solar spectrum. Making a highly efficient solar cell is always a challenging task for today's scientists and engineers. [2] A lot of research works have been carried on and quite a few approaches have found efficient like: (1) To select the semiconductor materials with appropriate energy gaps to match the solar spectrum optimizing their optical, electrical, and structural properties; and (2) the innovative device engineering which enables more effective charge collection as well as better utilization of the solar spectrum through single and multi-junction approaches. However, both approaches haven't confirmed the utilization of entire spectrum of sunlight simultaneously, from the infrared to the ultraviolet and hence limit the efficiency of the solar cell.
Metamaterials might have a huge impact in this regard. These are artificial materials engineered to have properties that may not be found in nature which would be advantageous to utilize whole solar spectrum. Also, metamaterial is insensitive to polarization which can be used to precisely control the path of visible light regardless of the polarization of the light. Responding these motivations authors were intended to propose a new innovative approach to integrate metamaterials as anti-reflection coating with traditional p-n junctions. The design parameters of metamaterial based solar cell are conventional semiconductor parameters, emitter & base, grid pattern, anti-reflective coating, doping, band gap, carrier concentration, diffusion coefficients, diffusion length, air mass etc. Simulation results also support the whole design in terms of efficiencies and usability.
A solar cell (also called a photovoltaic cell) is an electrical device that converts the energy of light directly into electricity by the photovoltaic effect. Photovoltaic effect is the production of current due to the voltage difference across a p-n junction, as a result of the absorption of photons on the top layer of n-type material. This N-type material is often made of a shiny reflective material so it may send photons bouncing Year away before they enter into the p-n junction; which is undesirable, so an anti-reflective coating is often applied to reduce those losses, to limit the reflection of sunlight. There are also finger like contacts in top layer to reduce series resistance. While the P-type material is layered to a conductive back contact made of aluminum or some alloy. These metal contacts and the fingers on the top electrode are constructed to facilitate ample sunlight to enter into the n-and p-type layer and also a pathway for electrical flow out of current. Figure 1 shows the basic structure of solar cell.
Even the best of today's silicon solar cells cannot use about 30 percent of the light from the sun: that's because the entire spectrum of sunlight, from infrared to ultraviolet, covers a range of about 0.0012 eV to about 4 eV, the semiconductors do not respond to the entire spectrum of sunlight. Solar cell works only in the visible spectrum. Photons with at least the band gap energy will be able to free electrons to create a current. Photons with energy less than material's band gap pass through the cell and are not absorbed, which wastes incoming energy. Also some sunlight is always reflected off the surface of the cell even though the surface is usually texturized and coated with an anti-reflective coating. Furthermore, some energy is lost from local recombination of newly created holes and electrons. Finally, there are some losses due to manufacturing impurities in the solar cell.
In recent years, there has been much interest in the development of artificial electro-magnetic structures called "metamaterials" which can yield values for permittivity ? and permeability ? not achievable in nature. Metamaterials usually gain their properties from structure rather than the composition, using small inhomogeneities to create effective macroscopic behavior. Metamaterials can be classified according to the response in the presence of Electromagnetic field, broadly on the macroscopic parameters ? and ? of these materials. The classification is graphically illustrated in Figure 2 which indicates positive refractive index metamaterials are only in the first quadrant, all the other quadrants are of negative refractive index metamaterials. Most dielectrics are included in the DPS, Double Positive group (e > 0, ? > 0). In certain frequency regimes, many plasmas and gyrotropic material respectively exhibit the characteristics of ENG, Epsilon Negative (e < 0, ? > 0) and MNG, Mu Negative (e > 0, ? < 0) group. A medium with both permittivity & permeability less than zero (e < 0, ? < 0) are called as Double negative (DNG) or Left Handed medium(LHM). These DNG/LHM materials have only been demonstrated with artificial constructs. As light propagation must occur through metamaterial solar cell, double negative refractive index metamaterial (i.e. LHM) is rationally proposed in this study. In the case of a general solar cell we get only one band gap and only a portion of visible light can be absorbed by solar cell. Using sawtooth structure in metamaterial band gap can be tuned. Figure 4 shows the general Band gap vs refractive index curve of this equation
n = ? [1 + {A / (E g +B) 2 }]Where A is hydrogen ionization energy ? 13.6 eV, B is 3.47 eV and n is the refractive index. The curve is continuous, leads to the efficient utilization of solar cell by utilizing metamaterial grooves (sawtooth) structure. Huang and H. Chen, the Electromagnetics Academy at Zhejiang University, have shown that the metamaterial absorber is almost insensitive to the polarizations of the incident wave due to the symmetric pattern of the closed rings [5]. Figure 5 shows the performance of the metamaterial absorber for different polarizations of the incident wave. It is found that, refractive index µ change from 0± to 40± (the measurement for µ from 50± to 90± is same to that from 0± to 40± due to the rotational symmetric of the closed rings), the absorption frequency only shift 0.8% and the absorptions are all lower than 15 dB, reflecting the insensitiveness of the metamaterial absorber to the wave polarizations. Because metamaterial has no polarization effect, by using metamaterial in solar cell, Figure 8 shows the schematic of the proposed multi-junction solar cell with an anti-reflecting coating followed by a layer of metamaterial of saw tooth structure. The anti-reflective coating is also made of the metamaterial with refractive index 1 equivalent to the air refractive index. As the shiny n type layer may send photons bouncing away before they've done their job, an anti-reflective coating is applied to reduce those losses. And because of refractive index is one, the anti-reflective coating would be transparent to the incoming light; no reflection would carried out to decrease the efficiency. Also anti-reflective coating on glass cover would prevent solar cell from temperature variation, dust and other natural disturbance. The second layer is made of the metamaterial of sawtooth structure. Each sawtooth has a different negative refractive index. As the band gap and refractive index are inversely proportional to each other, thus tuning the refractive index, any band gap can be achieved. Thus the whole solar spectrum -0.5 to 2.9 or 0 to 4 eV can be achieved by this sawtooth structure. Solar ray incident on the multilayer cell and get absorbed. The PN junction layers followed by sawtooth layer could be normal P-N junction layers or metamaterial PN junction layers. Metamaterial PN junction layer would make the solar cell more efficient but it might be costly. The normal PN junction layers could be used in those cases.
For an efficient solar cell design, the technical standards should be met and must to satisfy the design parameters. The central semiconductor parameters that determine the performance of a solar cell are: i) Concentrations of doping atoms: N D and N Athe concentration of donor & acceptor atoms respectively. These concentrations determine the width of a space-charge region of a junction. ii) Mobility (?) and diffusion coefficient (D) of charge carriers that characterize the carriers' transport due to drift and diffusion respectively. Typical electron and hole mobility for Si at room temperature (300'K) is respectively 1400 cm 2 / (V?s) and 450 cm 2 / (V?s).
iii) Lifetime, ?, and diffusion length, L, of the excess carriers that characterize the recombinationgeneration processes.
iv) Band gap energy, E G , absorption coefficient, ?, and refractive index, n, that characterize the ability of a semiconductor to absorb visible and other radiation.
v) The name Emitter & Base is used in the software approach instead of typical P & N type. If we use 300 micrometer p, n should be 1-2 micrometer. The ratio is very much similar in nanometer range. But if nanometer range considered, then surface energy effect must be taken into consideration.
vi) All available states in the conduction and valence band can be represented by an effective density of states N C and an effective density of states N V respectively. The range of N C is around 1x10 18 to 4x10 18 and range of N V is around 4x10 18 to 8x10 18 . vii) The Air Mass (AM) quantifies the reduction in the power of light as it passes through the atmosphere and also absorbed by the air and dust. The solar industry uses AM-1.5 for all standardized testing of terrestrial solar panels, so AM-1.5 is used in case of metamaterial solar cell.
Figure 9 shows the solar radiation spectrum of different air mass. So, refractive index 1 is the best choice for anti-reflective coatings. Efficiency would increase to 30% and 60% for choosing refractive index 1 over 2 and 3 respectively.
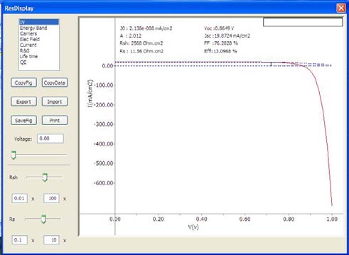
Also the efficiency would show better results if there is tuned multilayer metamaterial architecture and no Here a solar cell is also simulated with CdS (cadmium sulfide -n type), CdTe (cadmium telluride -p type) with metamaterial Tin oxide (SnO 2 ) layer (with refractive index =1). It is found that the efficiency is 13.0968% (From the I-V characteristics curve shown in Figure 13) whereas in normal solar cell efficiency is 7%. So we can notice a definite increase of efficiency in the metamaterial solar cell. As there has been a very little work on metamaterial solar cell research, the main emphasis of this work was to demonstration theoretically whether metamaterial on solar cell would increase the overall efficiency or not. Also, most thin materials used to capture sunlight are limited to a very narrow range of wavelengths and the angles of incidence. The proposed design uses a pattern of wedge-shaped ridges whose widths are precisely tuned to slow variation and thus made enable to capture and angles of incidence. Because of using metamaterial, there is no polarization effect of unpolarized sunlight, thus the efficiency has increased manifold.
Some difficulties had been faced during this study. The first and foremost is that there was no open source reference software that could be used for designing metamaterial solar cell. Also there was not any complete metamaterial solar cell model to compare; also the lack of physical implementation in the third world country likes Bangladesh. Despite of all the difficulties, proposed metamaterial model shows promising feature for achieving high efficiency solar cell; hopefully this work would be beneficial to the scientists and engineers.
A theoretical model of metamaterial solar cell is developed, simulated and discussed above. It was found that if the anti-reflective coating of solar cell is made with metamaterial and its refractive index is made 1 then efficiency of the metamaterial solar cell is maximum. Furthermore, sawtooth structure, polarization effect and metamaterial absorption are taken into consideration. And it can be concluded that metamaterial solar cell is highly efficient. Time has come to look forward and work in these fields to produce highly efficient solar cells rather than depending wholly on conventional method because metamaterial solar cell shows promising future in solving world's power crisis problem.
![Figure1: Basic structure of a silicon solar cell.[3]](https://engineeringresearch.org/index.php/GJRE/article/download/861/version/100356/3-Towards-High-Efficiency-Solar-Cells-Composite_html/7526/image-2.png)


![Figure 4 : Typical band gap vs refractive index Curve ii. Polarization and Absorption Effect L.Huang and H. Chen, the Electromagnetics Academy at Zhejiang University, have shown that the metamaterial absorber is almost insensitive to the polarizations of the incident wave due to the symmetric pattern of the closed rings[5]. Figure5shows the performance of the metamaterial absorber for different polarizations of the incident wave. It is found that,](https://engineeringresearch.org/index.php/GJRE/article/download/861/version/100356/3-Towards-High-Efficiency-Solar-Cells-Composite_html/7529/image-5.png)
![Figure 5 : Measured reflection coefficients of the metamaterial absorber for different polarizations of the incident wave. [Photo courtesy: The Electromagnetics Academy at Zhejiang University] Also Yang liu, Yitung chen, Jichun li, UNLV Center for Energy Research have shown that absorption due to silicon nitride (SiN) metamaterial is higher the than normal material. (Figure 6-7 shows the parametric study and the data comparison with other materials.) So](https://engineeringresearch.org/index.php/GJRE/article/download/861/version/100356/3-Towards-High-Efficiency-Solar-Cells-Composite_html/7530/image-6.png)





![Current Increased: [(3.269-2.555)/2.555] * 100 = 27.945% Voltage Increased: [(0.6461-0.6396)/0.6396] * 100 = 1.016% Efficiency Increased: [(1.767-1.366)/1.366] * 100 = 29.356% If the anti-reflective coatings refractive index was chosen 3 instead of 2 then the metamaterial solar cell efficiency would be decreased by [(1.366-1.143)/1.366] * 100 = 16.325%.](https://engineeringresearch.org/index.php/GJRE/article/download/861/version/100356/3-Towards-High-Efficiency-Solar-Cells-Composite_html/7536/image-12.png)

![shows a sample layer parameter configuration option in WxAMPS. WxAMPS follows the Maxwell's equations that the refractive index, n = ? r ½ ? r ½ As the relative permittivity for optical frequencies is considered 1 [? r ½ = 1], the equation becomes, n = ? r ½](https://engineeringresearch.org/index.php/GJRE/article/download/861/version/100356/3-Towards-High-Efficiency-Solar-Cells-Composite_html/7538/image-14.png)
| Refractive Index Outer Middle layer layer | Inner layer | I sc (amp) | V oc (volts) | Max. Power (watts) | |
| 1 | -2 | 3 | -3.17 | 0.6455 | 1.711 |
| 1 | -2 | 4 | -2.921 0.6437 | 1.571 | |
| 1 | -1.5 | -2 | -3.281 0.6462 | 1.774 | |
| -2 | 3 | 3 | -3.155 0.6454 | 1.703 | |
| 1 | 2 | -2 | Transient Convergence Failure | ||
| -1 | -2 | 3 | Transient Convergence Failure | ||
| -1 | -1.1 | 2 | -3.095 | 0.645 | 1.669 |
| 1 | -1.8 | -2 | -3.323 | 0.6469 | 1.746 |
| 1 | -1.7 | 2 | -3.269 | 0.6461 1.767 | |
| 2 | -1.7 | 2 | -2.555 | 0.6396 1.366 | |
| 3 | -1.7 | 2 | -2.154 | 0.635 | 1.143 |
| Impact of the anti-reflecting coating refractive | |||||
| index change in Isc, Voc and Max Power can be found | |||||
| by considering the last 3 data of the table 1, where only | |||||
| the anti-reflecting coating refractive index column has | |||||
| the different values. Band gap 3.5 with refractive index is | |||||
| 2.21 is often used as anti-reflective coating of a normal | |||||
| solar cell. So assuming that refractive index is 2 for a | |||||
| normal solar cell a comparison has been made. If the | |||||
| anti-reflective coating has refractive index 1 instead | |||||
| of 2.21, | |||||
A Manual for AMPS-1D for Windows 95/NT. References Références Referencias Towards High Efficiency Solar Cells: Composite Metamaterials, 1997. The Pennsylvania State University
Umit cotuk, Scattering from multi-layered metamaterials using wave matrices. Design and Applications of Frequency Tunable and Reconfigurable Metamaterials, Department of Electrical and Computer Engineering Duke University. 9 (Phd thesis) (master's thesis, naval postgraduate school)
Sailing He, and Nicholas X. Fang, Ultrabroadband Light Absorption by a Sawtooth Anisotropic Metamaterial Slab. Nano Letters