he consumption of energy especially of electrical energy is increasing day by day in this world. Energy stored in different form in nature but the main source of energy is fuel viz. solid fuel as coal, liquid fuel as oil and gas fuel as natural gas and the Nuclear energy. But reservations of these fuels are diminishing day by day and other side Nuclear power plants are natural polluters of environment. So that, the present trend is to increase the use of renewable or alternative energy like wind, water, solar. At this moment one of the most important and attractive sources of energy is solar energy. Solar energy is paying very effective role from beginning of the world. The sun is infinite, clean energy source, no noise and free of cost and it supplies to earth about 10,000 times as much energy of the world's energy consumption [1].
So, it is time to use of solar radiation energy by converting into electrical energy or converting into our require energy forms. It is a very common problem of use of solar energy is its daily and seasonal variation of solar radiation direction. Use of solar energy is limited with sunny hours so use of it is not continuous.
Therefore, as compare with the utilization of solar energy it is due to high cost and low efficiency [1]. To optimize this problem, many researchers try to inventing more effective methods of utilizing solar energy [2]. One of these methods is solar tracking system.
In Every day, the sun rises in the east, moves across the sky and sets in the west. If we could set a solar cell to turn and focus at the sun all day hours, then it is possible to receive maximum amount of sunlight and convert into more useful energy like electricity [3]. Solar module current is very sensitive to the isolation of the sun. So, small change in the radiation of the solar in the solar module makes the current drops very rapidly and at each hour, the earth rotates 15 degree about its own axis. Therefore, solar panel must rotate 15 degree every hour to follow the direct radiation of the sun otherwise output of the module will be decreased [3].
Again, during a specific local time the radiation depend on solar elevation and azimuth angle.
For a fixed panel and a mobile one, the values of global radiation, its components (direct, diffuse and reflected and the value MPP (Maximum Power Point) for the panel are reported [4][5][6][7][8].
We see in the city solar panel is still standing on the roof of the building and receive most of sun radiation of the midday sun [5].
In our work we develop two ways of rotating freedom solar tracker that means it can rotate both vertically and horizontal direction so that it can set with any position to aim with the sun from its own axis. Therefore it can increase its peak hours (high radiated light receiving) as consistently it can increase its efficiency. In cloudy sky, there could be a small component of direct radiation and a substantial component of diffuse radiation [9][10]. Using a trucking PV we can absorb the greatest amount of radiation as possible. The maximum radiation is obtained by providing the panel in a manner not perpendicular to sunlight, in the cases in which, for example, the sky is cloudy and the diffused component is more greater towards different directions to the "panel-sun" one [11].
In annually solar tracking system can increase 35% of its overall efficiency [1].
To develop solar tracking system, many researchers use many process. On these studies, we use analog to digital converter of microcontroller and Fuzzy logic to process the light sensor data for sun structural view, hardware and electrical view and programming system of solar tracker system.
As we know, solar panel should be directly perpendicular to the sunlight so that radiation of sunlight is highest. But, position of the sun is not same place during the whole day. Therefore, direction of the sun radiation is not same and its changes during the course of the day. So, if we can use solar tracking system it would give maximum solar efficiency [12].
The structural view of two ways of rotating freedom solar tracker by using ADC of microcontroller is shown in figure 1.
In the system shown in Figure 1, a solar panel is mounted over the supporting arm with consisting two direct current motor with gear mechanism, five LDR (light depended resistor sensor) sensors and a control box. The light detecting system consists of five light depended resistors (LDR) which are LDR1, LDR2, LDR3, LDR4 and LDR5 represent in figure 1 as S1, S2, S3, S4 and S5 respectively mounted on the solar panel and placed in an enclosure. The sensors are setup in a way that LDR1 and LDR2 are used to track the sun horizontally for drive the horizontal positioning motor while LDR3 and LDR4 are use to track the sun vertically for drive the vertical positioning motor [13]. The LDR5 is use to detect it is day or not because only day session system will be the working mode. This sensors information is processes by using fuzzy logic because it emulates human acceptable reasoning and could make decisions on inaccurate information [14]. The all operations are operated by control box where microcontroller and motor control ICs processes whole detection and control system. So that, both motors vertical and horizontal movement to ensure proper tracking of the solar panel in any position of the sun with respect to the East-West or North-South [14]. The solar tracker system consists of LDRs, Microcontroller and its internal ADC (analog to digital converter), motor controller IC LM293D and direct current motor.
? LDRs detect the sunlight intensity. When consume high sunlight intensity resistance is decreased and supply high current trough it. ? Microcontroller and its internal analog to digital converter measure the LDRs supplied current and converted its corresponding digital value. This is again process by Fuzzy logic and then gives necessary signal to the motor controller IC. ? The motor controller IC of LM293D drive the DC motor by the direction of microcontroller a) Analog to Digital Converter
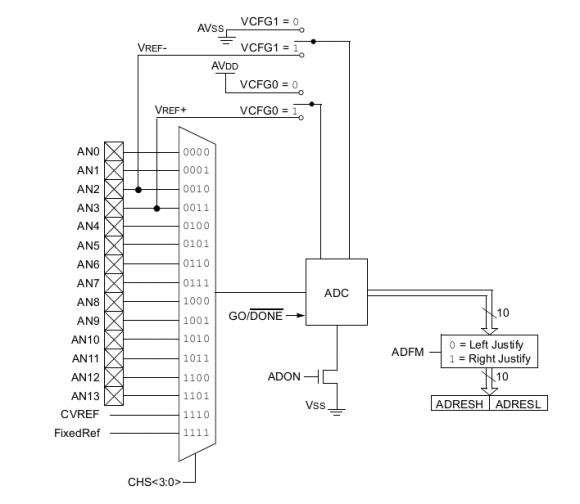
The Analog-to-Digital Converter (ADC) allows conversion of an analog input signal to a 10-bit binary representation of that signal. This device uses analog inputs, which are multiplexed into a single sample and hold circuit. The output of the sample and hold is connected to the input of the converter. The converter generates a 10-bit binary result via successive approximation and stores the conversion result into the ADC result registers (ADRESL and ADRESH) [15].
The ADC voltage reference is software selectable to be either internally generated or externally supplied.
The system architecture of two ways of rotating freedom solar tracker system is shown in figure 2.
The ADC can generate an interrupt upon completion of a conversion. This interrupt can be used to wake-up the device from Sleep.
Fuzzy logic is a form of many-valued logic or probabilistic logic. It deals with reasoning that is approximate rather than fixed and exact and it is very closure to the human behavior. Machines can be provided to give decisions like humans by using fuzzy logic and fuzzy cluster operations [1].
Our fuzzy logic rules for solar tracker system as follows:
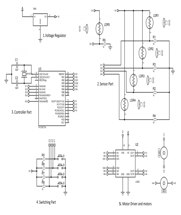
The electrical architecture of two ways of rotating freedom solar tracker is shown in figure 4.
Here No.1 a voltage regulator IC LM7805 is used for constant 5V DC supply. As the system operating voltage is 12V and microcontroller is needed maximum 5V to operate. Therefore, 5V voltage regulator is used.
No.2 Sensor part, here five LDRs are used where four are used for vertical and horizontal solar tracking purposes and LRD5 is used for day or night detection purpose.
No.3 There is microcontroller IC of PIC16F72 with 4MHz Crystal and bypass capacitors. Microcontroller processes the whole control system of this circuit.
No.4 Switching part, This is basically a technique by which it control over rotating of solar panel in any direction and also initialize the solar panel position when no light is available means night. Note that we primary set the solar panel in a direction where it is start to rotate by tracking of solar. This is the initial position of solar panel. After whole day rotation the panel comes to its initial position when night.
This experiment applies one solar panel where four solar cells are connected in series-parallel combination to achieve desire set of power. Then we mounted it in the roof of the IUBAT lab building and collect the data keep it on one full day light from 6 AM to 7 PM. After calculation the all data we find that the solar system with tracking capacity give 37% of higher efficiency then its same capacity fixed angle solar system. gives total 114.75 W power consumption per day and the average power consumption of tracking panel is 157.86 W per day. From analysis of data we get tracking panel 37 % higher efficiency then stationary panel.
Although tracking system is costly than the stationary system but for long time use it will be superior to meet the future energy demand. Experimental work has been carried out carefully. The result shows that higher generating power efficiency is achieved using the solar tracker with two ways of rotational freedom.

![Fig. 3 : Shows the block diagram of the ADC of PIC16F72 [15].](https://engineeringresearch.org/index.php/GJRE/article/download/713/version/100176/5-Two-Ways-of-Rotating-Freedom-Solar_html/3461/image-3.png)



| Time | 6 | 6:30 | 7 | 7:30 | 8 | 8:30 | 9 | 9:30 | 10 |
| SSP | 0 | 0.5 | 1 | 1 | 2 | 2.5 | 4 | 6 | 9 |
| SPT-1 0 | 1 | 2.5 | 4 | 8 | 12 | 18 | 19 | 19 | |
| SST-2 0 | 0.7 | 2.1 | 3.4 | 7.5 12 | 17 | 18.5 | 19 | ||
| SST-3 0 | 0.5 | 2 | 3.3 | 7.3 11 | 16.5 | 17.9 | 18.5 | ||
| Time | 10:30 11 | 11:30 12 | 12: | 13 | 13:30 14 | 14:30 | |||
| 30 | |||||||||
| SSP | 12 | 16 | 18 | 19 | 19 | 19 | 18 | 17 | 16 |
| TSP-1 19 | 19 | 19 | 19 | 19 | 19 | 19 | 19 | 19 | |
| TSP-2 19 | 19 | 19 | 19 | 19 | 19 | 19 | 18 | 18 | |
| TSP-3 19 | 19 | 19 | 19 | 19 | 19 | 19 | 18 | 17.7 | |
| ear 2012 |
| Y |
| 33 |
| Volume XII Issue IV Version I |
| J ) |
| ( |
| of Researches in Engineering |
| Global Journal |
Solar Tracking System with Fuzzy Reasoning Applied to Crisp Sets. Revue des Energies Renouvelables, 2007. 10 p. .
Analytic solution to the photovoltaic maximum power point problem. IEEE Transactions On Circuits And Systems September 2007. 54 (9) .
Development of a microcontroller-based, photovoltaic maximum power point tracking control system. IEEE Transactions On Power Electronics January 2001. 16 (1) .
Solar Tracker of Two Degrees of Freedom for Photovoltaic Solar Cell Using Fuzzy Logic. Proceedings of the World Congress on Engineering, (the World Congress on EngineeringLondon, U.K
Design and implementation of Smart Relay Based Two-axis Sun Tracking System. Iraq J.Electrical and Electronic Engineering 2011. 7 (1) p. 64.
Design of Fuzzy Controller Based on PC for Solar Tracking System. in KINTEX, (Gyeonggi-do, Korea
Effective irradiance estimation for PV applications. 3rd World Conference On Photovoltaic Energy Conversion, (Osaka, Japan
Design and Performance of Solar Tracking System with Fuzzy Logic Controller. th International Advanced Technologies Symposium (IATS'11), (Elaz??, Turkey
A microcontroller-based data acquisition system for solar radiation and environmental monitoring. IEEE Transaction On Instrumentation And Measurement December 1999. 48 (6) .