he use of compressed air as an energy source dates back to immemorial times. Its first use dates to the year 250 BC. For centuries it has been used in different ways, and its distribution and use, under several pressures, has become widespread and has become a fundamental element in all production and service processes. Pneumatics, as a controlled energy source, derives from the Greek term Pneuma, which means breath or breath.
Compressed air is a source of energy and control used in various operations that pass through simple acts of drilling, riveting, deburring, etc., perfectly framed in the automation of processes. Compressed air replaces human strength, providing a uniform and constant production capacity with high production rates. This form of energy, when combined, is capable of operating in parallel with mechanical, electrical, and electronic systems and with oil-hydraulic systems.
However, the combination of different control and performance systems will require players to have a great knowledge of the technologies to be integrated into any automation process, not only as control elements (pneumatic, oil-hydraulic, or electric) but also from the initial point of view of the power transmission. In this sense, the control of pneumatic systems can be carried out pneumatically (pure pneumatics, control, and pneumatic actuation), electrically (a hybrid system that combines electric or electronic control with pneumatic actuation) or combined with oil-hydraulic systems (control or performance of the hydraulic elements).
Pneumatically, the movements of the actuators, whether translational or rotation, are obtained by alternating redirection of compressed air in the actuator chambers. Thus, to control this redirection, directional control valves alternately redirect the flow of compressed air to the actuator chambers. The directional valve ensures the escape of air from the opposite chamber, constructive form of the valve box (see Figure 1). In this sense, the control of the directional movements of the actuators aims to execute the defined sequences, whether they are combinatorial or sequential cycles. The approach to the construction of pneumatic control systems will be possible according to the following methodologies [1]:
First: The designer tries to perform the control combine pneumatic signals to solve the problem, intuitive mode. The implementation of this pneumatic control methodology, with combinatorial or sequential cycles, becomes very complex. Electrical control presents a high degree of development and implementation difficulty.
Second: The designer tries to perform pneumatic control of combinatorial or sequential cycles using Cascade methodology, Shift Register Modules or Sequential Modules [2], and the Festo Quick Stepper technology [3]. These methodologies can be used to solve any potential pneumatic control issues. Electrical control has a high degree of implementation difficulty.
The designer tries to perform control using Karnaugh Maps (KM) methodology. Any potential control problem for combinatorial or sequential cycles can be solved with this methodology. The design of the electrical control scheme is easy to implement, either In this article, we will address the problem of implementation and pneumatic and electro-pneumatic control of sequential cycles, based on equations extracted from KM. This methodology, based on the ON/OFF control of pneumatic and electro-pneumatic circuits, will allow controlling the desired cycle or cycles, as well as minimizing the command equations and components used in their implementation [4].
The authors presented, in previous works [4][5][6], the construction rules of KM using a single sequence and the implementation of control equations for pneumatic circuits and their adaptability to relay electropneumatic control and with PLCs. In [7], Silva and Santos extract the equations of movement using Artificial Intelligence (AI). References [4] and [6] also presented the adaptability of the equations obtain by KM to Ladder Diagram (LD) language (electropneumatic control based on Programmable Logic Controller, using a Siemens S7 200 PLC). In this work, the authors present a new approach to solve sequential cycle of pneumatic or electro-pneumatic circuits with triple-path and the problems associated with the points of divergence and convergence to maintain the synchronization of all the movements and walls of the three sequences.
In section 2, the authors give a brief description of control techniques for pneumatic electro-pneumatic circuits. It is also representing the rules to pneumatics circuits and conventionally representation for movements, command orders, and switch position. A description of the Cascade implementation and KM methodology is also presented. A case study is presented. We discuss the implementation and handling of KM for the control of a triple-path pneumatic circuit in Section 3. Section 4 presents pneumatics control implementation and the adaptability of the equations deducted from KM into electrical control signals, electrical control with relays, and Ladder Diagram language, electro-pneumatic implementation. Section 5 concludes the paper.
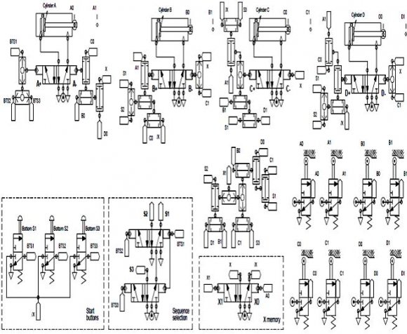
The control of a typical pneumatic component is performed by a set of directional control valves and a cylinder. This set of components is the combination of control, actuation, and position elements that define the entire construction of any pneumatic actuation system present in almost all pneumatic machines. Other elements that can be used in the circuits, such as the logic elements (AND & OR), aim to ensure that the combination of signals and the supply of compressed air to the cylinders is carried out according to the defined logic at the exact moment.
Conventionally we associate the actuators with capital letters, the indication of the actuator, while at the limit switches, the indication of the position of the actuators, lowercase letters. In this sense, we will represent by A+ the forward movement of the cylinder and by A-the reverse movement of a cylinder called A. The associated directional control valve will be assigned the same letter (A) where the forward order of the cylinder will correspond, according to the equations obtained by KM, to the command A1 (A+) and its reverse to the command A0 (A-). The limit switches, at the end of the cylinders, positioning forward and backward, we will call a0, return valve, and a1 to the advance valve. These two positions indicated the recoil "0" and forward "1" state. In Figure 1, we present a schematic of the set of elements necessary to control a cylinder. In this figure, we represent the limit switches with capital letters since they are now associated with the command specifications of the simulation software, so in this case, a0 will correspond to A0 and a1 to A1. Then, the representation of a sequence of forward and return movements of two cylinders A and B will be indicated as follows: A+ \B+ \A-\B-. This description of the cylinder movements translates in a simple and comprehensive way the cycle of operations of each cylinder.
The movements of the cylinders can be, also, represented using a step diagram that represents the evolution of the movements as a function of time, sequence, or both. The sequential step diagram shows the sequential evolution of the cylinders, while the temporal one reports the behavior of the cylinders as a function of time. In Figure 2, we show the step diagram of the cycle.
Cascade methodology is normally used to solve control problems associated with pneumatic sequential cycles that may or may not need memories. Control of the cylinders, actuation elements is carried out according to the present information and the knowledge of the past states (states obtained by combining primary and secondary variables and/or memories). Memories are defined by a construction of directional control valves, connected in cascade, directing the air flow to one and only one of the pressure groups. This construction ensures that at any given moment, only one of the pressure groups is active, that is, pressurized.
The definition of pressure groups is done by dividing the sequence of movements. The division is constituted by consecutive groups of movements ensuring, that, in each one of them, there is no repetition of movements of any cylinder. In other words, the repetition of letters in the group is not allowed. In this sense, a sequence consisting of two cylinders (A and B) and with the following movements, for example:
A+ \ B+ \ A-\ A+ \ B-\ A-will be divided into 4 groups, 1, 2, 3, and 4 (G1 to G4):
?? + \ ?? + ?? ??? ?? 1 ???-? 2 ? ?? + \ ??- ?? ??? ?? 3 ? ??-? 4Switching to each group is carried out with the orders e1 to e4, which will correspond to the change to the Group "G1", G2, G3, and G4, respectively. Figure 3 shows the construction of memory with four groups and the respective switching signals.
Karnaugh maps are normally used to simplify and minimize Boolean functions [8]. On the other hand, and since pneumatic cylinders may be associated with Boolean behavior, their industrial applicability to the control of pneumatic and electro-pneumatic sequential circuits will be a reality. In this sense, consider a sequence defined by A+ \B+ \B-\A-, sequence in "L" (double-crossing point), consisting of two independent cylinders with a double effect. Then, the correspondence between the various active variables, limit switches, and the orders to be executed, control of the directional valves (see Figure 1), will be the basis of the initial construction of the KM. Its initial dimension results from the number of cylinders, in this sequence, it will be two, based on the ratio of 2n (two raised to two cylinders) [4]. The drawing of the movements starts in the upper left corner of the map, proceeding with the mapping of the subsequent orders according to the evolution of the sequence [4] [9]. Figure 4 shows the KM for this sequence (L-cycle) defined above. The scheme shown in Figure 5 represents a drilling machine used to produce configurations shown in the figure. Three cylinders produce oblong holes (cylinders B and D in simultaneously, followed by the C), while the fourth (cylinder A) is used to perform the longitudinal drilling on top of the part.
Due to the manufacturing impositions, the system is prepared to work in three distinct modes, according to push-button S1, S2, and S3. In the first mode (S1), all cylinder's work, while in the operating mode, S2 cylinder C is suppress, maintaining the sequence of the remaining movements. Push-button S3 once again changes the sequence by suppressing the simultaneous movement of cylinders B and D, maintaining the remaining sequence. These conditions do not affect the initial design of the map but condition the common path considered, as well as the specific points of divergence and convergence. Table 1 shows the sequences of push-button S1, S2, and S3modes.
Table 1 Sequence displacement for pushbutton S1, S2, and S3 steps
The representation of movements of a sequence is, normally, fulfilled by an algebraic form or by a step motion diagram. In the present case, we have three sequences combined, that although they can present different paths. So, their representation in the step diagrams must be reduced to the sequence that presents more movements since, in addition to being more complex, it is also common to the others (part of the sequence is overlap).Thus, to understand the applicability of this methodology, we will represent, individually, the movements of each of the three sequences. In Figure 6, we present the step diagrams of these three sequences (S1, S2, and S3).
The black path represents the movements of the S1 sequence and, consequently, the partial overlap of the three sequences. The red step diagram represents the S2 sequence (cylinder C inoperative), while the green step diagram represents the S3 sequence (cylinder B and D inoperative).Although with different movements, part of the paths in red and green represents a partial overlap of the sequence in black (S1).
Karnaugh's map are drawing considering, first, the sequence with the greatest number of movements or, in this case, also with the greatest number of cylinders in motion (A, B, C, and D, sequence S1). So, based on the movement of all sequences, the final configuration of the KM is shown in Figure 7. Initial movement of all sequences will be performed in the upper left corner of the map. The design of the sequence evolves inside and across the map, associating the corresponding forward and backward orders.
The map will grow, by horizontal or vertical unfolding, according to the impossibility of making any movement (occupied destination cell), as explained in [4].The black path represents the largest sequence (S1) and, consequently, part of the overlaps of the sequences S2 and S3. Red and green paths represent the path of the remaining sequences. Cell a_0 b_0 c_0 d_0 x ? is the initial cell of all the movements, so in this case, the entire x ? side of the map will be responsible for the A1 order (see Figure 7).
?? 1 ?? 0 ?? 0 ?? 0 ??? ?? 1 ?? 1 ?? 0 ?? 1 ???? are the dividing cells of the movements of the S2 and S3sequences, respectively (red and greenpath, dark yellow cells in Figure 7). Signals S1, S2, and S3 define the direction of evolution of the sequences, down, to right, and shift to ?? (black, red, and green path).To extract the equations, it is necessary to isolate the sequences and concurrently each of the respective orders. Then, from the analysis of the order of the initial movement (upper left corner of the map), we verify that this movement will always be performed regardless of the selection that will be made, this is the starting point, common to all sequences. However, we must consider other operating conditions since this is the starting cell of all sequences, it must also be guaranteed that all movements are completed in the same cell. So, all active variables must be present in the equation of motion associated with the A1 order. In this case, the active variables for sequence S1, S2, and S3 are ??? (previous movement). Thus, the equation for controlling the advance of cylinder A (order A1, see Figure 7) will be given by:
?? 1 = ??? . (??1 + ??2 + ??3)(1)?? 0 = ?? 0 . ??(2)? ?? 1 = ?? 1 . ?? 0 . ??? . (??1) ?? 0 = ?? 1 (3) ? ?? 1 = ?? 1 . ?? 1 . (??1) ?? 0 = ??(4)? ?? 1 = ?? 1 . ?? 0 . ??? . (??1) ?? 0 = ?? 1(5)? ?? 1 = ?? 0 . ?? 1 . ?? 0 . (??1) ?? 0 = ?? 0(6)Equations for B1, C1, D1 and X1, in the split cells (Figure 7), is obtained by all the previous movements (active variables) and the memorized pneumatic or electrical signal of S1, see (3)(4)(5)(6). Figure 8 shown the implementation of the memorized pneumatic memory. This cascade representation corresponds to the signals of push bottom S1, S2, and S3, sequence selection. Order A1, in this case, depends only on S2, So, A1 is: ?? 1 = ??? . (??1). The remaining equations are obtained considering the same approach defined for the order A1. So, for the S1, black sequence, we will have:
The equations of the second sequence (S2) are also obtained from the map shown in Figure 7. The order A1 will have the same equation, already defined in (1) since this is common to the three sequences. In this case, A1 depends only on S2. So, A1 is ?? 1 = ??? . (??2).
?? 0 = ?? 0 . ?? 0 . ??(7)? ?? 1 = ?? 1 . ??? . (??2) ?? 0 = ?? (8) ? ?? 1 = ?? 1 . ??? . (??2) ?? 0 = ?? (9) ? ?? 1 = ?? 1 . ?? 1 . (??2) ?? 0 = ?? 0 (10)For the S3 sequence, the equations are also obtained from the KM (Figure 7). The equation for the order A1 is obtained by the sequence S3.In this case, A1 depends only on S3. So, A1 is ?? 1 = ??? . (??3).
?? 0 = ?? 0 . ?? (11) ? ?? 1 = ?? 1 . ??? . (??3) ?? 0 = ?? (12) ? ?? 1 = ?? 1 . (??3) ?? 0 = ?? 0(13)The combination of these three paths results in a set of equations that translate a combination of sequences and, as such, the repetition of movements, conditioned by the selection of the S1, S2 or S3 push button. The final set of equations will be:
? ?? 1 = ??? . (??1 + ??2 + ??3) ?? 0 = ?? 0 . ?? 0 . ?? 0 . ?? (14) ? ?? 1 = ?? 1 . ?? 0 . ??? . (??1 + ??2) ?? 0 = ?? 1 + ?? (15) ? ?? 1 = ?? 1 . ?? 1 . (??1) + ?? 1 ??? . (??3) ?? 0 = ?? (16) ? ?? 1 = ?? 1 . ?? 0 . ??? . (??1 + ??2) ?? 0 = ?? 1 + ?? (17) ? ?? 1 = ?? 0 . ?? 1 . ?? 0 . (??1) + ?? 1 ?? 1 (??2) + ?? 1 (??3) ?? 0 = ?? 0 (18)Note that at the point of convergence (cell?? 0 . ?? 0 . ?? 0 . ?? , light green, Figure 7), the return of A (A0) must have, necessarily, all the active variables that precede it. In this case, it will be the variables related to the completion of the return movement of C (?? 0 ) and the return variables of cylinders B and D (?? 0 and?? 0 ) as well as the memory ??(active), see (14).
The implementation of pneumatic control circuits is based on two fundamental parts, the power part (pneumatic actuation of actuators) and the control part based a pneumatic or electrical signal (directional control valves and limit switch). So, the great between these two technologies is at the control level since combinational logic is performed with pure pneumatic or electrical control.
The Implementation of pneumatic circuits is based on pneumatic action (a power part) and control performed with pneumatic signals (a mechanical part) for switching the directional and limit switch valves. So, logical control signals, binary signals (pressure or not pressure), are carried out by combining several pressure signals that perform the intended sequence. Note, however, that the control of the combined sequences is carried out with pneumatic 5/2 directional control valves (5 ways and 2 positions).Thus, and as this type of valve is used, we will have to consider that the signals of each of the selected sequences will always remain active until a new sequence is performed, that is, the sequence button pressed, S1 or S2 or S3 bottom (see "Start bottom" and "Sequence selection," see Figure 9). These signals will be present along each of the paths to validating path divergences, as can be deduced from the scheme shown in Figure 9. It is also important to remember that the initial signal of the sequence is constructed by the signal ??? and S1 or S2 or S3, see (1). However, in the pneumatic scheme shown in Figure 9, in the advance o cylinder A (order A1, A+), we only show the indication of the selected button. This order will depend only on the change of the memory state, that is, on the passage to the initial state, negated state. Thus, A+ will be executed by BTS1, BTS2, or BTS3 signals that translate the signal??? .
The implementation of electro-pneumatic circuits is also based on two fundamental parts, the pneumatic action (power part, performed on the actuators) and an electromechanical control part (actuation performed on the directional control valves) associated with the electrical signals of the final position of the cylinder (limit switch).These signals, also in binary or digital form, control the evolution of each of the selected sequences as a function of the signals received from the process, associating them with the signals of the present and past state. So, the minimized equations obtained by the KM will be summarized as a set of input and output signals associated, with more than one movement of the cylinders, along with the different sequences. This set of equations forms the final equations by combining all the signs into a sum of products. Then, the electrical scheme of this sequence with triple paths, will consist of a set of components in series, parallel, and the resulting memory of the transcription to a contact diagram of the equations obtained in the KM. Figure 10 shows the electrical scheme of the implementation of the equations, as well as the memories associated with the S1, S2, and S3 buttons. Note, however, that in the implementation of the sequence selection memories (see Figure 10, "Start bottom, sequence selection"), a normally closed (NC) contact was used to deactivate the selection. They, the deactivation of the sequence selection memory should be performed as soon as it is no longer needed. In this case, its deactivation can be done immediately before the map returns to state x ? , memory X deactivated. This action allows the cycle to be stopped as soon as the movements are completed, so not disabling it would lead to the continued operation of the selected sequence. Continuous cycle operation could only be interrupted by the action of an OFF button.
From a functional point of view, the control of electro-pneumatic systems is usually done through PLCs or computer systems, remotely or locally, using human-machine interfaces (HMI).So, implementing the electrical control of a pneumatic system, based on the KM equations, will be easy, as it will only consist of the transcription of the equations to the PLC ladder logic. The implementation of the necessary memories, resulting from the duplication of the map, will also be an easy operation given the flexibility of the PLCs and the Ladder.
To implement the equations in a logical controller (PLC), a set of addresses needs to be defined. So, for each of the four cylinders, it is necessary to define two actuation addresses (outputs) and two positioning addresses (inputs). For the auxiliary memory, the logic responsible for activating an internal signal, which represents its activation and deactivation, will be defined. Table 1 presents the required symbols and addresses. The control implementation, based on a PLC, was carried out in a model way. Thus, to respect the initial conditions, choosing the sequence, controlling cylinders, and using a memory, three main function blocks were created, Start Button [FC1], Sequences [FC2], and X Memory [FC3], see Figure 11.Laboratory tests for implementation and validation of the control system were performed with SIMATIC TIA Portal V16 software, running on a 1214C AC/DC/Rly CPU, using LD language. Code validation is also performed using TIA Portal software forcing input signal (limit switches and the sequence selection buttons) to get the outputs. The main function, Organization Block [OB1], is the interface between the command operating system and the application program. V.
The demands of global markets demand high flexibility of production systems and, consequently, reduce equipment configuration time. These changes operated at the level of purely pneumatic systems or based on relays, present requirements that they will not be answer promptly to the need for change in the production chains. In this context, the startup and process changes will be an important factor for the company's competitiveness, credibility, and final gains. Thus, considering that purely pneumatic processes are a static system, the alteration of a simple movement in the operating sequence will imply the physical alteration of the entire control -startup times too long given the need to rebuild the entire pneumatic or electric relaybased control system.
The minimization of these startup times involves combining operational sequences capable, within limits considered acceptable, to provide immediate responses to the necessary changes. In this sense, we present a methodology that allows us to deal with different combinations of sequences from KM. They are adapted for the industrial control of pneumatic and electropneumatic systems (relay or PLC base), whether combinatorial or sequential. This methodology allows solving highly complex control problems, multiple sequences, for example, easily integrating them into a single command action, using selectors. The command equations obtained from KM guarantee the implementation of defined sequences (triple path, in this case) and the minimization of command variables, whether applied to pneumatics, relays, or programmable logic controllers. These control expressions were also obtained and validated using AI techniques, using PROLOG, to confirming the optimization of the equations, and possible optimal alternatives.
It is also shown that the command equations obtained by KM are easily converted into pneumatic and electrical commands. The ease of conversion into Ladder Diagram language is also remarkable, opening possibilities for use in the industrial sector or teaching control systems.


![Fig.5: Drilling machine[10]](https://engineeringresearch.org/index.php/GJRE/article/download/2155/version/101144/4-Adaptability-of-Karnaugh-Maps_html/25118/image-4.png)






| Symbol | Address | Comment |
| LS_A0 | I0.0 | Limit switch A0 |
| LS_A1 | I0.1 | Limit switch A1 |
| LS_B0 | I0.2 | Limit switch B0 |
| LS_B1 | I0.3 | Limit switch B1 |
| LS_C0 | I0.4 | Limit switch C0 |
| LS_C1 | I0.5 | Limit switch C1 |
| LS_D0 | I0.6 | Limit switch D0 |
| LS_D1 | I0.7 | Limit switch D1 |
| AD_A+ | Q0.0 | Advance A (A+) |
| RE_A- | Q0.1 | Return A (A-) |
| AD_B+ | Q0.2 | Advance B (B+) |
| RE_B- | Q0.3 | Return B (B-) |
| AD_C+ | Q0.4 | Advance C (C+) |
| RE_C- | Q0.5 | Return C (C-) |
| AD_D+ | Q0.6 | Advance D (D+) |
| RE_D- | Q0.7 | Return D (D-) |
| M_X | M0.0 | Memory X |
| M_S1 | M0.1 | Memory S1 |
| M_S2 | M0.2 | Memory S2 |
| M_S2 | M0.3 | Memory S3 |
| S1 | I1.1 | Sequence S1 |
| S2 | I1.2 | Sequence S2 |
| S3 | I1.3 | Sequence S3 |
We acknowledge the financial support of CIDEM, R&D unit funded by the FCT -Portuguese Foundation for the Development of Science and Technology, Ministry of Science, Technology and Higher Education, under the Project UID/EMS/0615/2019, and INEGI and LAETA, under project UIDB/50022/2020.
Electro pneumatic control versus grafcet. International Congress on Education, Innovation and Learning Technologies (ICEILT2015), (September, Granada, Spain
Methodology for manipulation of Karnaugh maps designing for pneumatic sequential logic circuits. In International Journal of Mechatronics and Automation (IJAMA) 2017. 6 (1) p. .
Teaching control pneumatic and electro-pneumatic circuits -a new method. International Congress on Education, Innovation and Learning Technologies (ICEILT2015), (September, Granada, Spain
Symbolic Manipulation for Optimization of Boolean Functions for Control of Pneumatic and Electropneumatic Circuits. 16ª Conferência Ibérica de Sistemas e Tecnologias de Informação, (Chaves, Portugal
The map method for synthesis of combinational logic circuits. Transactions of the American Institute of Electrical Engineers, 1953. 72 p. .
Symbolic pattern manipulation of Karnaugh-Veitch maps for pneumatic circuits. In Artificial Intelligence in Engineering 1996. 10 (1) p. .