Introduction pecialists (and first of all, by experimenters) discovered, that the classical electrodynamics and the special theory of relativity (SR), in spite of already more than 100-summer myth, are located in the contradiction to each other [1][2][3][4].
According to the program "Starfish" in1962 USA exploded in space above Pacific Ocean H-bomb. This event placed before the scientific community many questions [5][6][7]. It is earlier into 1957 future Nobel laureate doctor Hans Albrecht Bethe, being based on the theory of dipole emission, predicted that with a similar explosion will be observed the electromagnetic pulse (EMP), the strength of field of which on the earth's surface will comprise not more than 100 V/m. But with the explosion of bomb discomfiture occurred, pour on the tension of electrical, beginning from the epicentre of explosion, and further for the elongation of more than 1000 km of it reached several ten thousand volt per meters. Electric pulse had not only very large amplitude, but also very short duration on the order 150 ns (Fig. 1).
Global Journal of Researches in Engineering ( ) Volume XVI Issue III Version I Thus, after explosion in the course of several ten minutes there is no radio communication with Japan and Australia, and even at a distance into 3200 km of from the epicentre of explosion were fixed ionospheric disturbances, which several times exceeded those, which are caused by the most powerful solar flares. Explosion influenced also the automatic spacecraft. Three satellites were immediately disabled. The charged particles, which were appeared as a result explosion, were seized by the magnetosphere of the Earth, as a result of which their concentration in the artificial Earth radiation belt it increased by 2-3 orders. The action of radiation belts led to the very rapid degradation of solar batteries and electronics in seven more satellites, including in the first commercial telecommunication satellite Telestar 1. On the whole explosion derived from system third of the automatic spacecraft, which were being found in low orbits at the moment of explosion.
With the explosion of nuclear charge according to the program "Program K", which was realized into the USSR, the radio communication and the radar installations were also blocked at a distance to 1000 km of. It was discovered, that the registration of the consequences of space nuclear explosion was possible at the large (to 10 thousand kilometers) distances from the point of impact. The electric fields of pulse led to the large focusings to the power cable in the lead shell, buried at the depth about 1 m, which connects power station in Akmola with Alma-Ata. Focusings were so great that the automation opened cable from the power station.
Is known that the problem of this phenomenon attempted together with his students to solve and academician Zeldovich [7]. However, in the existing sources there is no information about the fact that this problem was solved by it. Exponential is the fact that more than fifty years in the official scientific journals there are no publications on the explanation of the phenomenon indicated, which attests to the fact that the scientists lacks the substantiated point of view on the explanation of the physical causes for this phenomenon.
The first article, dedicated to this explanation, appeared in the journal Engineering physics only in 2013 the year [8]. For this was used the represented in the works [9][10][11][12][13] formalism of scalar-vector potential, developed within the framework of the concept of the dependence of electric charge on the speed (not the invariance of charge). InSR electric fields of charge they depend on speed, but component, its normal and parallel to direction motions change in such a way that the flow of the electric field through the surface, which surrounds charge, remains constant, i.e., charge is the invariant of speed. This dependence is obtained from the analysis of the laws of the induction of electric field by magnetic and the magnetic field electrical, recorded with the use by the substantional derivative of field functions in the form, invariant not relative to the group of Poincare, but relative to the transformations of coordinates of classical physics, which include the conversions of Galileo. Then the theoretical and practical results of concept were published in a number of the foreign periodicals [14][15][16][17][18][19][20][21][22].
The sequential development of so radical a concept required the deep revision of the mathematical apparatus for electrodynamics. New approach to its development is proposed in [23]. It is directed toward the more adequate description of passage from one inertial reference system to another on the basis of giperkontinualnykh ideas about the space and time [24] due to the improvement of differential calculus of the field functions under the assumption of their dependence on the speed of motion. This new approach led to the replacement of the conventional formulation of Hertz-Heaviside of Maxwell equations for the new trans-coordinate formulation, represented in [25].
Up to now there are only indirect experimental data, which confirm the validity of the concept of scalar vector potential, which consisted in the observation of the electric pulse of nuclear explosions [5,8,11,19,22], and also in the appearance of an electric potential on the superconductive windings and the tori during the introduction in them of the direct current, [26][27][28][29][30]. Are in this article given experimental results on the detection of the pulse of the external electric field, which appears with the warming-up of plasma, and also possible explanation of this phenomenon on the basis of the trans-coordinate formulation of the Maxwell equations (trans-coordinate electrodynamics).
of the Pulse of the Electric Field, Caused by the Warming-up of the Plasma
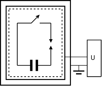
In the experiments for the warming-up of plasma the micro-bursts with the discharge of the chemical capacitors of the great capacity through the discharger or with the discharge of such capacitors through the lamp of photoflash were used. In the discharger was used the copper wire, with the connection to which the charged capacitors it was melted and evaporated, being converted into the plasma. the diagram of experiment is shown in Fig. 2 and Fig. 3.
In Faraday cage, which serves the continuous metal screen (on the figures it is depicted as dotted line) are placed the chemical capacitors of great capacity, the discharger and the key, which makes it possible to connect to the discharger the charged capacitors. The chains of outline, which include capacitor, key and discharger did not have galvanic contact with the screen of Faraday cage. Faraday cage surrounds one (Fig. 2) or two (Fig. 3) metallic of screen. Characteristic measurement of electric pulse it was achieved with the aid of the digital memory oscillograph SIGLENT SDS 1072CNL. In the first case (Fig. 2) oscillograph was connected between the screen of the Faraday cage and the external screen. being converted into the plasma. In the installation they were used the collection of the chemical capacitors with a total capacity 3000 F , which were charged up to the voltage 300 v.
Fastening bolts and pins are shown in the figure by the fatty sections of lines. The joints, which make it possible to connect the oscillograph between the screen of the Faraday cage and the external screen, and also between the external and intermediate scrin in the diagram are not shown. Are not shown also the joints, through which is achieved the charge of capacitor With the measurements the cable, through which is achieved the charge of capacitor, from Faraday cage is disconnected.
The photograph of the screen of Faraday cage it is shown in Fig. 5. This layer presents the insulator, above which stuck the aluminum foil, which presents intermediate scrin.
The Charge is Not the Invariant of the Speed
The composite stock, which forms part of installation, consists of two parts. Its upper part is made from textolit, the lower part, made from brass, is fastened to it with the aid of the fastening pin. Between the lower part of the stock and the brass plate there is a spring, which ensures the electrical contact between the brass part of the stock and the brass plate. Inside the screen of Faraday cage is a partition, to which is attached the insulating plate. Contact washer is located on this plate. The unit of capacitors is connected between the brass plate and the contact washer. To the lower part of the stock are attached thin copper wire, gauge 0.2 mm, its length, which comes out from the stock -10 mm. During lowering of stock the wire In the process of experiments it was established that the surge voltage appears with the capacitor discharge through the discharger between the screen of the Faraday cage and the external screen.
In order to be certified in the fact that with the warming-up of plasma in Faraday cage actually is formed the unitary charge, was carried out the following experiment. It is known that with the rubbing by the fur of amber on it is formed the negative charge. After rubbing by the fur of model from the amber it with the aid of the stock, prepared from the Textolite, through the tube in the upper lid of camera was introduced into Faraday cage, and then rapidly was pulled out from it. When oscillograph was connected between the screen of the Faraday cage and the external screen, was registered the pulse, whose oscillogram was shown in Fig. 7. The process examined can be considered as appearance and subsequent disappearance in the Faraday cage of negative charge. It is evident that between the negative and positive part of the pulse is a region, where the derivative of the pulse amplitude on the time decreases. This is connected with the fact that with the mechanical introduction and the withdrawal of the model of amber from Faraday cage it is not possible to instantly change the speed of stock for the reverse.
In the following stage of studies it was explained, in what time the charged capacitors are discharged through the discharger, and also was written the signal, proportional to current, current in the discharge circuit. Total capacitance of capacitors was 6000 F , they were charged to the voltage 300 v
The oscillograms of transient process with the capacitor discharge through the discharger with different scanning speeds along the axis X, and also signal of proportional to current in the circuit discharge, they are shown in Fig. 10 and Fig. 11. The measurement of a voltage drop across capacitors during their the discharge through the discharger, and also the signal, proportional to the current of discharge, was made according to the diagram of that represented in Fig. 12.
The measurement of a voltage drop across capacitors during their the discharge through the discharger, and also the signal, proportional to the current of discharge
The chain, with the aid of which was measured the signal, proportional to the current of discharge, was inductively connected with the conductors of outline. The conductor, fixed in parallel to one of the conductors of outline, was used for this.
The dependence on the time of voltage across capacitors during the discharge is represented in the upper oscillogram. It is evident that in the time ~ 500 s the stress falls in 300 V to 50 V. Lower oscillogram presents the current pulse, registered by the method examined. 150 It is evident that in discharge time voltage across capacitors falls in 300 V to 50 V. In this case the discharge time is approximately one 600 s . The difference between the energy of the capacitors, charged to 300 V in those charged to 50 V composes 162 J therefore the average power of micro-burst is 270 kW. If one considers that for the heating, the melting and evaporating the wire of discharger it is necessary to spend energy ~ 10 J, then the remained energy ~ 150 J to the warming-up of the formed plasma.
It is evident from the given oscillograms that the current, which flows through the plasma reaches its maximum value toward the end of capacitor discharge.
The form of the voltage pulse between the external screen and the screen of Faraday cage, obtained with the discharge through the discharger of the capacitors with a capacity 6000 F , charged to the voltage 300 V, it is shown in Fig. 14.
The Charge is Not the Invariant of the Speed Fig. 14 : Form of the voltage pulse between the external screen and the screen of Faraday cage, obtained with capacitor discharge with a capacity 6000 F , charged to the voltage 300 V. Scale along the X-axis is 5 ms to one large cell
The same pulse with the scale value the axis X 500 s is shown in Fig. 15. Fig. 15 : Form of the voltage pulse between the external screen and the screen of Faraday cage, obtained with capacitor discharge with a capacity 6000 F , charged to the stress 300 V. Scale along the X-axis is 5 ms to one large cell Should be focused attention on the fact that the formation of the negative part of the pulse (Fig. 14) practically it coincides with the capacitor discharge time (Fig. 11), when through the plasma maximum current flows precisely in this time and the maximum warmingup of plasma occurs, since with the flow through it of high currents the warming-up is connected not only with its effective resistance, but also with the pinch effect.
If we compare Fig. 9, where is shown the shape of pulse with introduction into Faraday cageof the charged amber and Fig. 14, that it is possible to see that the shapes of pulses it is very similar. The difference only in the fact that with the mechanical introduction and the withdrawal of amber from the cell it is not possible to ensure this pulse time and the steepness of its fronts as with the electrical discharge. in Fig. 14 and Fig. 15 the stages of warming-up and cooling of plasma are well visible, evident also that its heating occurs much faster than cooling.
The results of the conducted investigations attest to the fact that in the process of formation and warming-up of plasma in it the unitary negative charge is formed. In the formed plasma the number of electrons and positive ions is equal, but electrons have high speed, than ions; therefore naturally to assume that the formation of unitary charge is connected with the fact that the speed of electron motion more than in ions.
The total capacitance of the input circuit of oscillograph and capacity between the screen of the Faraday cage and the external screen is 204 pF, and the resistance of the input circuit of oscillograph equally by 1Mom, therefore, the input circuit of oscillograph is differentiating. Consequently, the input circuit of oscillograph together with the capacity between the screen of the Faraday cage and the external screen, between which appears the voltage pulse, is differentiating. Therefore the oscillograms, represented in Fig. 14 and Fig. 15 they present the derivative of the voltage pulse, which appears between the screen of the Faraday cage and the external screen.
With the explosion in space of H-bomb was discovered the pulse, shown in Fig. 1. Analog oscillograph was used during its record; however, it is not said, what in this case was used antenna. Input capacitance 50 pF and input resistance 1 Mom is the standard parameters of the input circuits of such oscillographs. Dipole antenna if one assumes that was used, then together with the capacity of feeder its capacity composes several hundred picofarads, and this means that the input circuits of oscillograph presented the differentiating circuit. Therefore with the registration of the electric pulse of space explosion, as in our case, was recorded the derivative of the pulse, accepted by antenna. Comparison of the shape of pulse, obtained with the space explosion of the H-bomb and shape of the pulse, depicted in Fig. 13 it shows that in Fig. 1 the very short negative part of the pulse is absent. The subsequent positive parts of the pulse are very similar. This can be connected with the fact that with the explosion of H-bomb the short part of the pulse was so short, that the utilized oscillograph had insufficient passband for the reproduction of so short a pulse.
Tests, carried out according to the diagram, depicted in Fig. 2 they showed that the shape of pulse with the identical values of the capacity of the discharged capacitor and stress on it, remains the same, as in the case of the connection of oscillograph to the screen of Faraday cage. If we above the enamel as the second screen stick the copper foil, which repeats the outlines of the screen of Faraday cage, and to connect to the oscilloscope face, then the pulse amplitude and the shape of pulse does not change. But if we inside the external screen put the same metal intermediate scrin of smaller sizes, which coincides in the form with the external screen, but with the ample clearance between it and screen of Faraday cage, then the shape of pulse remains, but its amplitude decreases. This fact means that in the process of the warming-up of plasma in it is formed the unitary electric charge, whose electric fields freely penetrate both through the screen of the Faraday cage and through the intermediate scrin, reaching external screen. These fields penetrate also through the external screen and it is possible to reveal them out of this screen with the aid of the dipole antenna, whose axis is directed to the side of external screen, but this is very difficult to make, since there are large external focusings. This experiment can be carried out only in the screened room, i.e., the large Faraday cage is necessary.
Given experimental data are the proof of the fact that in the process of the warming-up of plasma with an equal quantity in it of electrons and positive ions in it is formed the unitary negative charge, not compensated by positive ions the experiment examined it directly confirms that the fact that the invariant of speed is only the polarity of the moving electric charge, but its absolute value depends on speed.
Concepts of Scalar-Vector Potential and its use for Explaining the Obtained Results possibility to write down fields in the moving coordinate systems, if fields in the fixed system are known. This problem is solved with the aid of the conversions of Lorenz, however, these conversions from the classical electrodynamics they do not follow. In the work [9] it is shown that during writing of the equations of induction with the use by the substantional derivative these of uravneiya acquire the symmetrical form:
[ ] , [ ] . d d S d t d d S d t B E l B V l D H l D V l (3.1) [ ] , [ ] . E E V B H H V D (3.2)Let us note that previously relationships (3.2) could be obtained only from the covariant conversions Of lorentsa, i.e., within the framework the special theory of relativity (SR). Thus, with an accuracy down to the The Maxwell equations do not give the conversions. Further we will show that they follow from conversions (3.1) and results SR with an accuracy to If we in parallel to the axis of rod in the field E begin to move with the speed v another IRS, then in it will appear the additional magnetic field H E v .
If we now with respect to already moving IRS begin to move third frame of reference with the speed v , then already due to the motion in the field H will appear additive to the electric field 2 E E v . This process can be continued and further, as a result of which can be obtained the number, which gives the value of the electric field v E r in moving IRS with reaching of the speed v n v , when 0 v , and n . In the final analysis in moving IRS the value of dynamic electric field will prove to be more than in the initial and to be determined by the relationship:
, 2 v gch v c E r v Ech r c.
if speech goes about the electric field of the single charge e , then its electric field will be determined by the relationship:
2 , 4 v ech c E r v r , (3.3)where v -normal component of charge rate to the vector, which connects the moving charge and observation point.
( , ) ( ) 4
v ech v c r v r ch r c , (3.4)where ( ) r -scalar potential of fixed charge. The potential ( , ) r v can be named scalar-vector, since it depends not only on the absolute value of charge, but also on speed and direction of its motion with respect to the observation point. It is not difficult to see that the obtained relationship with an accuracy to of the quadratic members of the expansion of the corresponding functions in series coincides with results SR, in which scalar potential is determined by the relationship. .
Using for enumerating the conversion of magnetic pour on the same method, we obtain:
( ) v H v Hch c.
where v -speed normal to the direction of the magnetic field.
If we apply the obtained results to the electromagnetic wave and to designate components fields on parallel speeds IRS as E , H , , and E , H , as components normal to it, then with the conversion fields on components, parallel to speed will not change, but components, normal to the direction of speed are converted according to the rule Classical physical field is described in the laboratory and substantive frame of references by its mathematically expressing the physical concept of the invariance of field relative to the speed of the motion of observer. In the theory of relativity (4.3) no longer it is carried out, but the Lorentz conversions are used instead of the conversions of Galileo. But this not invariance of field does not have fundamental, that not connected with the geometry of the space-time of physical nature, but it occurs simply the consequence of the effects of the reduction of lengths and time dilation in the moving frame of references. The proposed by us giperkontinual ideas about the space and the time [24] provide for the great possibilities of the invariance of various physical processes relative to various transformation groups of coordinates with the fact that special role in time-spatial giperkontinuum play the Galileo conversions (4.1), (4.2), since they in this case they treat as the level conversions of Lorenz of infinitely high level and, thus, they make it possible in a united manner to synchronize all events in all separate continua, hierarchically structure into united giperkontinuum. Natural to consider that in giperkontinuum the field also not is invariant relative to the speed of the motion of observer, but to explain this by the already fundamental properties of field, not connected with the geometry of separate continua.
In fluid mechanics and classical mechanics widely is used the derivative of Lagrange (the substantional derivative), which has the same arguments as the initial field function:







![3.2) attest to the fact that in the case of relative motion of frame of references, between the fields E and H there is a cross coupling, i.e., motion in the fields of H leads to the appearance pour on E and vice versa. From these relationships escape the additional consequences, which were for the first time examined in the work[9]. r -distance from the centralaxis of the rodto the observation point.](https://engineeringresearch.org/index.php/GJRE/article/download/1438/version/100733/4-The-Charge-is-Not-the-Invariant_html/15933/image-9.png)





.Their values are called field variables. For pour on different physical nature they can be suitable the different mathematical ideas of field functions, so that field variables can be, for example, scalar or vector with the material or complex values of their most variable or vector components. If in the role of this field electric field comes out, then in this role can come out the functions of its tension ( )
, and in the case of magnetic field we have functions of the magnetic induction
In the classical nonrelativistic field theory it is considered that the equality occurs ( ) ( )
IV. Trans-Coordinate Formulation of Maxwell Equations and its use for Explaining the Obtained Results
Two inertial reference systems with the time united for them will examine ? t ?. One of them (with the system of rectangular Cartesian space coordinates OXYZ ) let us name laboratory (not prime) and we will interpret it as relatively fixed. The second (with the system of rectangular Cartesian space coordinates
) let us name substantive (prime) and we will interpret it as connected with the certain moving real or imaginary medium. Let us assume that with 0 = t the system of space coordinates of both frame of references they coincide. Let us introduce the indices ( )
. Event in the data two frame of references takes the form ( ) ( )
, where
-the radius-vectors. We consider that the physical equivalence of events x x? indicates the validity of the Galileo conversion In the trans-coordinate electrodynamics is introduced new derivative (Galileo derivative) [23], arguments of which will coincide with the arguments of field function no longer in the laboratory, while in the substantive frame of reference:
If the arguments of the Lagrange and Galileo derivativesare connected with equality (4.1), that their corresponding values are equal and are decomposed into one and the same sum of quotient on the time and the convective derivative of field function in the laboratory frame of reference:
The Galileo derivative (4.5) is complete time derivative of the function of field in the laboratory frame of reference, measured at the point of space, which in the substantive frame of reference has a radius-vector r . The concepts of Lagrange and Galilean derivatives (4.4)-(4.6) naturally are generalized to the case derivative of higher order [23].
Within the framework concepts of the invariance of field relative to the speed of the motion of observer, i.e., with fulfillment condition (3), we have:
i.e., Galilean the derivative of field in the laboratory frame of reference is not distinguished from the particular time derivative of the function of field in the substantive frame of reference. Therefore introduction within the framework to this concept of the Galileo derivative as some new mathematical object with its independent physical sense, is superfluous. However, within the framework relativistic ideas examination by Galileo derivative is empty because of the emptiness of very conversions of Galileo (in contrast to the Lorenz conversions). But giperkontinualnye ideas about the space and the time make Galilean derived completely by that claimed, and equality (4.7) -to false. This view on the space, the period and the electromagnetic field in conjunction with the application of Galileo derivative leads to the new, trans-coordinate formulation of the electrodynamics [25], of that generalizing the conventional formulation of Hertz-Heaviside.
Electromagnetic field in the isotropic homogeneous medium without the dispersion is described in the laboratory and substantive frame of references by its variables (tension of electric field
what is the application of a general formula (4.3) of the invariance of field relative to the speed of the motion of observer for the case of electromagnetic field. The proposed by us giperkontinual ideas about the space and the time [24] assume no longer the invariance of field, but is explained its nature not by the geometry of united space-time similar to the theory of relativity, but by the fundamental properties of field .
The integral form of Maxwell equations in the idea of Hertz-Heaviside with the above-indicated conditions (isotropy, the uniformity of medium, the absence in it of dispersion) is the following system of four integral equations of the electrodynamics: where s , l -the arbitrary two-dimensional closed (for the first two equations) or open (for the second two equations) surface and its limiting locked outline, which not not compulsorily coincides with the electric circuit. The region of the applicability of system of equations (4.10) is limited by the requirement of the state of rest of outline l in the laboratory frame of reference. If we remove this limitation, after requiring only the states of rest of outline l in the substantive frame of reference, then will come out the known idea of Maxwell's equations (we we call his trans-coordinate [25]), integral form of which will be in it the system of the generalizing (4.10) four integral equations of the electrodynamics of the moving media:
If the trans-coordinate idea of the Maxwell equations (both in that examined by integral and in that examined lower than the differential forms) to interpret in the context of the description of electromagnetic field in time-spatial giperkontinuum, then it is necessary to consider that the equalities (4.8) are always carried out, but (4.9) -in the general case no.
The differential form of Maxwell equations in the idea of Hertz-Heaviside is a system of those corresponding to the integral equations (4.11) of the differential equations of electrodynamics, which relate to the laboratory frame of reference:
Equations (4.12) traditionally successfully are used in the electrodynamics, but they have essential deficiency -the region of their applicability it is limited by the case of agreeing the laboratory and substantive frame of references 0 v , i.e. these equations are deprived of the mathematical means of the adequate description of passage from one inertial reference system to another, completely tying process to one (laboratory) frame of reference.
The differential form of Maxwell equations in the trans-coordinate idea for the case of isotropic, homogeneous medium without the dispersion is a system of four globally trans-coordinate differential equations of the electrodynamics: In SR electric fields of charge they depend on speed, but component, its normal and parallel to direction motions change in such a way that the flow of the electric field through the surface, which surrounds charge, remains constant, i.e., charge is the invariant of speed. However, with the Mende conversions(4.17)-(4.18) situation entirely another -of the components, parallel to direction of motion, they do not depend on speed, but component, normal to direction of motion, they grow with an increase in the velocity. Thus, in the trans-coordinate electrodynamics the flow of the electric field through the surface, which surrounds charge, grows with an increase in the velocity, i.e., charge is not the invariant of speed. Specifically, this confirmed experiment.
V.
Thus, the concept not of the invariance of electric charge (its dependence from the speed), proposed still in 1988 in the work [9], after almost 30 years obtains finally direct experimental confirmation. In this case the conversions of Mende prove to be more adequate of physical reality, than the classical and relativistic conversions of electromagnetic field. Thus, is obtained convincing evidence of the justification of the transfer of electrodynamics from the traditional formulation of Hertz-Heaviside to the trans-coordinate with the appropriate failure of the relativistic ideas about the space and the time and by the adoption of giperkontinual ideas. The sequential development of trans-coordinate electrodynamics is capable of not only deriving on the new qualitative level of idea about the space and the time, but also of opening the fundamentally new horizons of the development engineering and technologies due to the discovery and the mastery of new physical phenomena and effects. In particular, the obtained results open new technical capabilities for diagnostics of the kinetics of the warming-up of plasma, which is especially important for realizing of controlled thermonuclear fusion.
Algebraicproperties of functionsof one-dimensionalsine wavesandspace-time. Physics.Mathematics 2013. (1) p. . Bulletin ofthe Voronezh State University. Ser
ConversionMende tocoordinatetra nselectrodynamics. International Journal ofapplied and fundamental research 2015. 12 p. .
TransCoordinateelectrodynamicsinthe space-timecontinuumhyper. International Journal of Appliedand fundamental research 2015. 12 p. .
Second-Order Electric Field due to a Conducting Curent. American Journal of Physics 1964. 32 p. .
Familiar and unfamiliarZel'dovich(in the memories of friends, colleagues, students). Nauka 1993. (Gersteinand RASunyaev)
Concept of Scalar-Vector Potential and Its Experimental Confirmation. AASCIT Journal of Physics 1 (3) p. .
Concept of Scalar-Vector Potential in the Contemporary Electrodynamic, Problem of Homopolar Induction and Its Solution. International Journal of Physics 2014. 2 (6) p. .
Problems of Lorentz Force and Its Solution. International Journal of Physics 2014. 2 (6) p. .
Consideration and the Refinement of Some Laws and Concepts of Classical Electrodynamics and New Ideas in Modern Electrodynamics. International Journal of Physics 2014. 2 (8) p. .
Concept of the dispersion of electric and magnetic inductivities and its physical interpretation. Global Journal of Researches in Engineering: A Mechanical and Mechanics Engineering 2014. 14 (8) p. .
Physics of Magnetic Field and Vector Potential. AASCIT Journal of Physics 2015. 1 (1) p. .
Updated Electrodynamics. AASCIT Journal of Physics Jun. 2, 2015. 19 Views Since Jun. 2, 2015. p. 13. (Publication Date)
What is Common and What Difference Between the Maxwell equations and the Kirgof Laws. AASCIT Journal of Physics May 8, 2015. p. . (Publication Date)
Experimentalviolation of the principlesof relativityandthe equivalenceof energy conservation. Physicalthought of Russia 1995. (2) p. .
Continuing investigation into possible electric arising from steady conduction current. Phys. Rev. D 1976. 14 p. 922.
Roser Second-Order Electric Field due to a Conducting Curent. American Journal of Physics 1962, v. 30, 7. p. .
Electromagnetic pulseand methods of protection. Trans.from English.-Atomizdat1979